Inspiráció áttekintés Referenciák Ház konfigurátor Fotómontázs Építési tippek
Termékek áttekintés Tető Homlokzat Tető-vízelvezetés Napelem Árvízvédelem Szalagok és lemezek
Szolgáltatások áttekintés Ház konfigurátor Fotómontázs Prospektusok rendelése Találja meg az Önhöz legközelebbi PREFA-Partnert Igényelje meg a garancia tanúsítványt Vásárok Kérdések és válaszok Kivitelezők számára Építészek számára
Előnyök áttekintés Alumínium alapanyag Különleges témák
A vállalat áttekintés Rólunk Állásajánlatok News Sajtó
Kapcsolat áttekintés Kapcsolattartója a PREFA-nál Kapcsolatfelvételi űrlap Prospektusok rendelése
Referenciák áttekintés Referencia épületek PREFARENZEN Építészet Felújítási galéria
Építési tippek áttekintés Tető-felújítás Homlokzatkialakítás Fa és alumínium homlokzatok Tetőfedés minden tetőformához Napelemek egyszerűen
Kivitelezők számára áttekintés A PREFA-bejelentkezésem Akadémia Oktató: Támogatás a helyszínen Reklámanyagok és logók Oktató és bemutató videók
Építészek számára áttekintés PREFARENZEN felfedezése Építészeti könyv és építész mappa rendelése Letöltési központ BIM
Alumínium alapanyag áttekintés 40 év garancia Fenntarthatóság Teljes rendszer Viharálló
Különleges témák áttekintés Tűzvédelem Műemlékvédelem
Rólunk áttekintés PREFA családi vállalkozás Értékeink és céljaink Fenntarthatóság
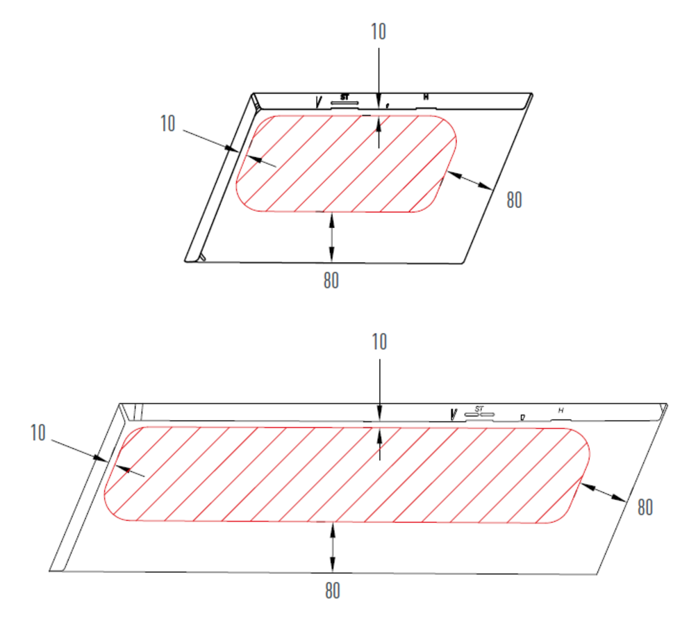
Ha valamit a homlokzatra kell szerelni (pl. lámpákat), akkor a szerelésnél ügyeljen a homlokzatburkoló zsindely engedélyezett szerelési területére. Ha nem lehet betartani a szerelési területet, akkor egy alátétlemezt kell befalcolni.
Csak egy termékkategória tartalma tölthető le. Ha több kategória tartalmára van szüksége, kérjük, minden termékkategóriához külön letöltést hozzon létre.