Alkalmazástechnikai irányelv
Alkalmazástechnikai irányelv
Kérjük, válassza ki a letölteni kívánt fejezeteket.
Tartalomjegyzék

Tető-vízelvezetés – méretek

Méretek és tűrések az EN 612 szerint

Csatornatartó elemek, csatornatartó elemek négyszögszelvényű ereszcsatornához, homlokdeszkára szerelhető, szár nélküli csatornatartó elemek

Csatornatartó elem

Hossz [mm]

Eltérés a standard hosszhoz képest [mm]

Csatornatartó elem 250

335

Csatornatartó elem 250 (rövid)

287

-

48

Csatornatartó elem 280

347

Csatornatartó elem 280 (rövid)

297

-

50

Csatornatartó elem 280 (hosszú)

445

+

98

Csatornatartó elem 333

383

Csatornatartó elem 333 (rövid)

312

-

71

Csatornatartó elem 333 (hosszú)

473

+

90

Csatornatartó elem 400

452

Négyszögszelvényű ereszcsatorna tartóelem

Hossz [mm]

Négyszögszelvényű ereszcsatorna tartóelem 250

325

Négyszögszelvényű ereszcsatorna tartóelem 333

370

Négyszögszelvényű ereszcsatorna tartóelem 400

435

Négyszögszelvényű ereszcsatorna tartóelem 500

455

Homlokdeszkára szerelhető, szár nélküli csatornatartó elem

Hossz [mm]

Homlokdeszkára szerelhető, szár nélküli csatornatartó elem 250

135

Homlokdeszkára szerelhető, szár nélküli csatornatartó elem 280

139

Homlokdeszkára szerelhető, szár nélküli csatornatartó elem 333

154

Homlokdeszkára szerelhető, szár nélküli csatornatartó elem négyszögszelvényű ereszcsatornához

Hossz [mm]

Homlokdeszkára szerelhető, szár nélküli csatornatartó elem négyszögszelvényű ereszcsatornához 250

130

Homlokdeszkára szerelhető, szár nélküli csatornatartó elem négyszögszelvényű ereszcsatornához 333

145

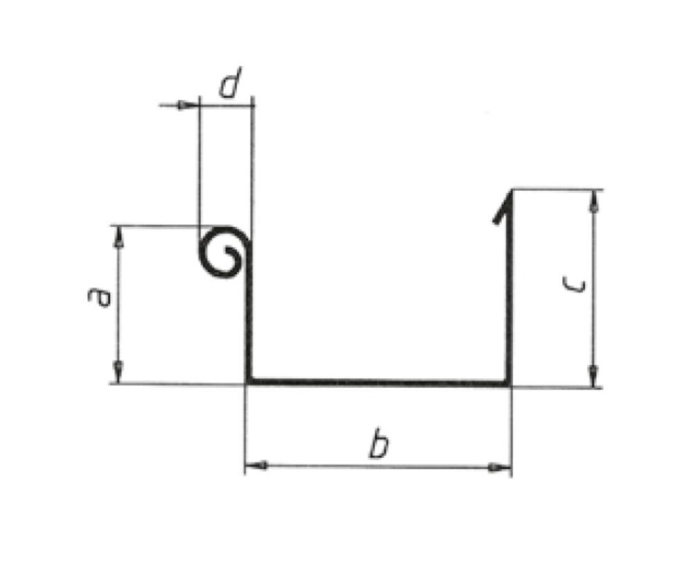
Félkörszelvényű függő ereszcsatornák

ereszcsatorna mérete

Elülső oldal a

Hátoldal c

Csatorna e

Külső peremezés d

250 (8-részes)

61

72

110

19

280 (7-részes)

67

78

126

19

333 (6-részes)

87

98

153

19

400 (5-részes)

110

121

192

19

Méretek (mm)

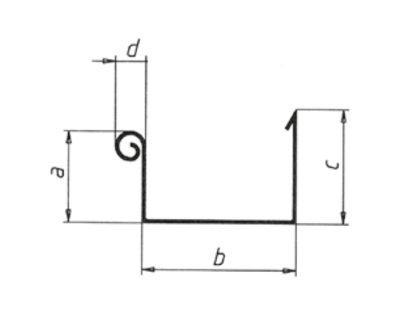
Négyszögszelvényű ereszcsatornák

ereszcsatorna mérete

Vorderseite a

Rückseite c

Rinne e

Wulst d

250 (8-részes)

54

63

86

19

333 (6-részes)

75

93

120

19

400 (5-részes)

92

113

150

19

500 (4-részes)

114

142

200

19

Méretek (mm)

Ereszcsatorna szegletek, négyszögszelvényű ereszcsatorna szegletek

ereszcsatorna szeglet 90° (külső)

Hossz [mm]

Ereszcsatorna szegletek 250

300

Ereszcsatorna szegletek 280

300

Ereszcsatorna szegletek 333

300

Ereszcsatorna szegletek 400

340

ereszcsatorna szeglet 90° (belső)

Hossz [mm]

Ereszcsatorna szegletek 250

300

Ereszcsatorna szegletek 280

300

Ereszcsatorna szegletek 333

300

Ereszcsatorna szegletek 400

340

Négyszögszelvényű ereszcsatorna szeglet 90° (külső)

Hossz [mm]

Négyszögszelvényű ereszcsatorna szegletek 250

300

Négyszögszelvényű ereszcsatorna szegletek 333

300

Négyszögszelvényű ereszcsatorna szegletek 400

300

Négyszögszelvényű ereszcsatorna szegletek 500

370

Négyszögszelvényű ereszcsatorna szeglet 90° (belső)

Hossz [mm]

Négyszögszelvényű ereszcsatorna szegletek 250

300

Négyszögszelvényű ereszcsatorna szeglet 333

300

Négyszögszelvényű ereszcsatorna szegletek 400

300

Négyszögszelvényű ereszcsatorna szegletek 500

350