Megjegyzés
Ez a fejezet az eltérő nemzeti szabályozások miatt Németországra és Svájcra nem alkalmazható. További információért kérjük, forduljon az adott országok terméktechnikai irodájához!
A rögzítés fix és csúszóhafterekkel a statikai követelmények szerint történik. Nemzeti szabványok és szakmai szabályok ettől eltérő előírásokat tartalmazhatnak, és ezeket figyelembe kell venni. Az alábbi táblázatokban a minimálisan szükséges hafterdarabszám [db/m²] megadása található a területi kategória, az épületmagasság és az alapszélsebesség függvényében.
A hafterek megadott minimális darabszámai 1,35 részleges biztonsági tényezőre vonatkoznak, és elméletileg meghatározott értékeknek tekintendők. R = Randbereich/peremterület (külső nyomási együttható cpe = -2,9), N = Normalbereich/normál terület (külső nyomási együttható = -1,3).
II. területi kategória
Alapszélsebesség-nyomás [kN/m²] |
Alapszélsebesség [m/sec] |
Épületmagasság < 15 [m] |
Épületmagasság 15–30 [m] |
Épületmagasság 30–50 [m] |
N | P [db/m²] |
N | P [db/m²] |
N | P [db/m²] |
||
≤ 0,32 |
≤ 22,5 |
3,7 | 8,2 |
4,3 | 9,7 |
4,9 | 10,9 |
≤ 0,39 |
≤ 25,0 |
4,5 | 10,0 |
5,3 | 11,8 |
6,0 | 13,3 |
≤ 0,47 |
≤ 27,5 |
5,4 | 12,0 |
6,4 | 14,2 |
7,2 | 16,1 |
≤ 0,56 |
≤ 30,0 |
6,4 | 14,3 |
7,6 | 16,9 |
8,6 | 19,1 |
III. területi kategória
Alapszélsebesség-nyomás [kN/m²] |
Alapszélsebesség [m/sec] |
Épületmagasság < 15 [m] |
Épületmagasság 15–30 [m] |
Épületmagasság 30–50 [m] |
N | P [db/m²] |
N | P [db/m²] |
N | P [db/m²] |
||
≤ 0,32 |
≤ 22,5 |
3,1 | 7,0 |
3,8 | 8,5 |
4,4 | 9,9 |
≤ 0,39 |
≤ 25,0 |
3,8 | 8,5 |
4,7 | 10,4 |
5,4 | 12,0 |
≤ 0,47 |
≤ 27,5 |
4,6 | 10,2 |
5,6 | 12,5 |
6,5 | 14,5 |
≤ 0,56 |
≤ 30,0 |
5,5 | 12,2 |
6,7 | 14,9 |
7,7 | 17,3 |
IV. területi kategória
Alapszélsebesség-nyomás [kN/m²] |
Alapszélsebesség [m/sec] |
Épületmagasság < 15 [m] |
Épületmagasság 15–30 [m] |
Épületmagasság 30–50 [m] |
N | P [db/m²] |
N | P [db/m²] |
N | P [db/m²] |
||
≤ 0,32 |
≤ 22,5 |
2,2 | 5,0 |
2,9 | 6,4 |
3,5 | 7,8 |
≤ 0,39 |
≤ 25,0 |
2,7 | 6,0 |
3,5 | 7,9 |
4,3 | 9,5 |
≤ 0,47 |
≤ 27,5 |
3,3 | 7,3 |
4,2 | 9,5 |
5,2 | 11,5 |
≤ 0,56 |
≤ 30,0 |
3,9 | 8,7 |
5,1 | 11,3 |
6,1 | 13,7 |
A hafterek megadott minimális darabszámai 1,35 részleges biztonsági tényezőre vonatkoznak, és elméletileg meghatározott értékeknek tekintendők. R = Randbereich/peremterület (külső nyomási együttható cpe = -2,9), N = Normalbereich/normál terület (külső nyomási együttható = -1,3).
II. területi kategória
Alapszélsebesség-nyomás [kN/m²] |
Alapszélsebesség [m/sec] |
Épületmagasság < 15 [m] |
Épületmagasság 15–30 [m] |
Épületmagasság 30–50 [m] |
N | P [db/m²] |
N | P [db/m²] |
N | P [db/m²] |
||
≤ 0,32 |
≤ 22,5 |
4,2 | 9,3 |
4,9 | 10,9 |
5,5 | 12,4 |
≤ 0,39 |
≤ 25,0 |
5,1 | 11,3 |
6,0 | 13,3 |
6,8 | 15,1 |
≤ 0,47 |
≤ 27,5 |
6,1 | 13,6 |
7,2 | 16,1 |
8,1 | 18,2 |
≤ 0,56 |
≤ 30,0 |
7,3 | 16,2 |
8,6 | 19,1 |
9,7 | 21,6 |
III. területi kategória
Alapszélsebesség-nyomás [kN/m²] |
Alapszélsebesség [m/sec] |
Épületmagasság < 15 [m] |
Épületmagasság 15–30 [m] |
Épületmagasság 30–50 [m] |
N | P [db/m²] |
N | P [db/m²] |
N | P [db/m²] |
||
≤ 0,32 |
≤ 22,5 |
3,5 | 7,9 |
4,3 | 9,6 |
5,0 | 11,2 |
≤ 0,39 |
≤ 25,0 |
4,3 | 9,6 |
5,3 | 11,7 |
6,1 | 13,6 |
≤ 0,47 |
≤ 27,5 |
5,2 | 11,6 |
6,3 | 14,1 |
7,4 | 16,4 |
≤ 0,56 |
≤ 30,0 |
6,2 | 13,8 |
7,6 | 16,9 |
8,8 | 19,5 |
IV. területi kategória
Alapszélsebesség-nyomás [kN/m²] |
Alapszélsebesség [m/sec] |
Épületmagasság < 15 [m] |
Épületmagasság 15–30 [m] |
Épületmagasság 30–50 [m] |
N | P [db/m²] |
N | P [db/m²] |
N | P [db/m²] |
||
≤ 0,32 |
≤ 22,5 |
2,5 | 5,6 |
3,3 | 7,3 |
4,0 | 8,9 |
≤ 0,39 |
≤ 25,0 |
3,1 | 6,8 |
4,0 | 8,9 |
4,8 | 10,8 |
≤ 0,47 |
≤ 27,5 |
3,7 | 8,2 |
4,8 | 10,7 |
5,8 | 13,0 |
≤ 0,56 |
≤ 30,0 |
4,4 | 9,8 |
5,7 | 12,8 |
6,9 | 15,5 |
Megjegyzés
A haftertávolság, függetlenül a számított értékektől, a fixhafteres területen nem haladhatja meg a 330 mm-t, a csúszóhafteres területen pedig az 500 mm-t. A korcokra rögzített berendezések (hóvédelem, PV-alátétszerkezet, tetőbiztonság) környezetében a haftertávolság a szabvány szerint nem haladhatja meg a 330 m-t!
A haftertávolság kiszámítása a sarniszélesség, valamint a szükséges hafterszám/m² alapján történik.
100 (Sarniszélesség [m] × hafterek száma [db/m²]) = haftertávolság [cm] [max. haftertávolság 50 cm, max. fix haftertávolság 33 cm]
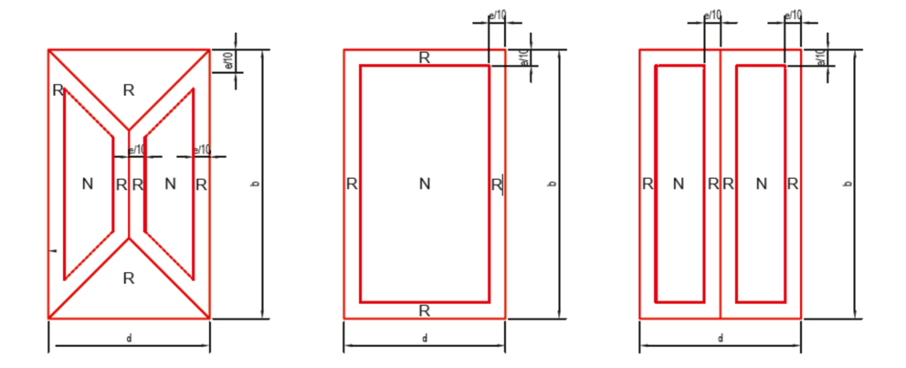
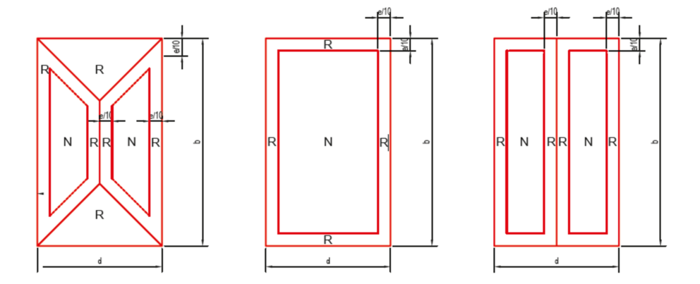
Megjegyzés
e = b vagy 2*h (a kisebb értéket kell figyelembe venni) – a távolság az alapterületre vonatkozik
ed = távolság a tetőfelületen; ed = (e/10) / (cos)
b = legnagyobb épületszélesség
h = legnagyobb épületmagasság
a = tetőhajlásszög
Példa
Projekt helyszín |
Innsbruck |
|---|---|
Építési hely kategóriája |
II |
Legnagyobb épületmagasság |
10,5 m |
Alapszélsebesség |
27,1 m/sec |
Siding és Siding.X elemek maximális Sarniszélesség az 1. sz. táblázat alapján |
43 cm |
Hafterek száma a peremterületen a 2. sz. táblázat alapján |
12,0 db/m² |
Hafterek száma a normál területen a 2. sz. táblázat alapján |
5,4 db/m² |
Peremterület (P) = 100 : (0,43 m × 12,0 db/m²) = 19,4 cm → 19 cm haftertávolság [max. haftertávolság 50 cm, max. fix haftertávolság 33 cm]
Normál terület (N) = 100 : (0,43 m × 5,4 db/m²) = 43,1 cm → 43 és 33 cm-es haftertávolság [max. haftertávolság 50 cm, max. fix haftertávolság 33 cm]
Csak egy termékkategória tartalma tölthető le. Ha több kategória tartalmára van szüksége, kérjük, minden termékkategóriához külön letöltést hozzon létre.